Coperchio della pompa Astral Victoria
Coperchio della pompa di circolazione ASTRAL, modello VICTORIA e SPRINT.
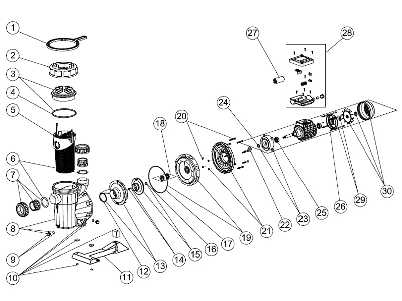
Nell'immagine delle parti di ricambio è il n. 3.
Pompe di circolazione Astral, modello Victoria.
Abbiamo a disposizione quasi tutti i pezzi di ricambio per questa pompa: vi consigliamo di consultare la lista dei pezzi di ricambio.
Per ulteriori informazioni in merito ai pezzi di ricambio potete scriverci all'indirizzo info@negozio-piscine.it.
Coperchio della pompa di circolazione ASTRAL, modello VICTORIA e SPRINT.
Nell'immagine delle parti di ricambio è il n. 3.
Maniglia per lo svitamento della madrevite dal prefiltro del coperchio della pompa ASTRAL modello VICTORIA.
Sull'immagine delle parti di ricambio è la n. 1.
Guarnizione "O-ring" per il coperchio della pompa di circolazione Astral, modello Victoria e Sprint.
Sull'immagine delle parti di ricambio è la n. 4.
Cestello prefiltro per la pompa di circolazione Astral, modello Victoria e Sprint.
Sull'immagine delle parti di ricambio è il n. 5.
Madrevite per il coperchio del prefiltro della pompa di circolazione Astral, modello Victoria.
Sull'immagine delle parti di ricambio è la n. 2.
Tappo di spurgo per pompe Astral modello Victoria. La pompa comprende due tappi di questo tipo. Sull'immagine delle parti di ricambio è il n. 9.
Completo con girandola e coperchio per il ventilatore della pompa Astral, modello Victoria.
Sull'immagine delle parti di ricambio è la n. 30.
Manicotto originale per pompa Astral Victoria fino a 1 HP
Sull'immagine delle parti di ricambio: n. 7 il manicotto.
Manicotto originale per pompa Astral Victoria 1,5 - 2,5 HP
Sull'immagine delle parti di ricambio: n. 7 il manicotto.
Condensatore originale per pompe 220V Astral Victoria - 14 µF.
Turbina di sostituzione per pompe Astral Victoria.
Notizie e suggerimenti per la costruzione e la manutenzione della piscina, vantaggi nell negozio online nell tuo casello email.
Tutto quello che devi sapere sulla cura dell'acqua della piscina e sulla risoluzione dei problemi..
VERIFICA LE ATTIVITÀQuesto sito utilizza cookie di profilazione e di terze parti anche per ottimizzare la tua esperienza online. ACCETTO