Coperchio per il prefiltro della pompa MPC
Coperchio per pompa di circolazione Calpeda, modello MPC.
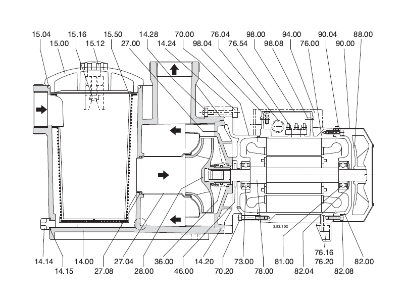
Sull'immagine delle parti di ricambio è il n. 15.00.
Pompe di circolazione Calpeda, modelli MPC e MPCM.
Abbiamo a disposizione quasi tutti i pezzi di ricambio per questa pompa: vi consigliamo di consultare la lista dei pezzi di ricambio.
Per ulteriori informazioni in merito ai pezzi di ricambio potete scriverci all'indirizzo info@negozio-piscine.it.
Coperchio per pompa di circolazione Calpeda, modello MPC.
Sull'immagine delle parti di ricambio è il n. 15.00.
Guarnizione "O-ring" per il coperchio della pompa di circolazione Calpeda, modello MPC.
Sull'immagine delle parti di ricambio è la n. 15.04.
Viti di ricambio per il fissaggio del coperchio della pompa Calpeda modello MPC.
Sull'immagine delle parti di ricambio è la n. 15.12.
Madrevite quadra per la vite del coperchio della pompa CALPEDA, modello MPC.
Sull'immagine delle parti di ricambio è la n. 15.16.
Cestello del prefiltro per pompa di circolazione Calpeda, modello MPC.
Sull'immagine delle parti di ricambio è il n. 15.50.
Condensatore originale per pompe 220V Calpeda MPCM 20 µF.
Condensatore originale per pompe 220V Calpeda MPCM 35 µF.
Tappo di spurgo dell'acqua per le pompe Calpeda MPC. Sull'immagine delle parti di ricambio è il n. 14.14.
O-ring del tappo di spurgo per pompe Calpeda MPC. La pompa è dotata di due tappi che prevedono l'O-ring.
Sull'immagine delle parti di ricambio è il n. 14.15.
Girandola della pompa di circolazione Calpeda, modello MPC.
Sull'immagine delle parti di ricambio è la n. 88.00.
Notizie e suggerimenti per la costruzione e la manutenzione della piscina, vantaggi nell negozio online nell tuo casello email.
Tutto quello che devi sapere sulla cura dell'acqua della piscina e sulla risoluzione dei problemi..
VERIFICA LE ATTIVITÀQuesto sito utilizza cookie di profilazione e di terze parti anche per ottimizzare la tua esperienza online. ACCETTO